乐动手机版
乐动手机版-乐动手机版(中国)
公司介绍
企业介绍
组织架构
企业荣誉
领导关怀
新闻动态
乐动手机版
政策要闻
党建工作
组织架构
党建阵地
党群活动
工青妇
荣誉鼓励
信息公开
水质检测报告
环境信息公开
职位招聘
通知公告
乐动手机版-乐动手机版(中国)
电话地址
意见箱
总经理信箱
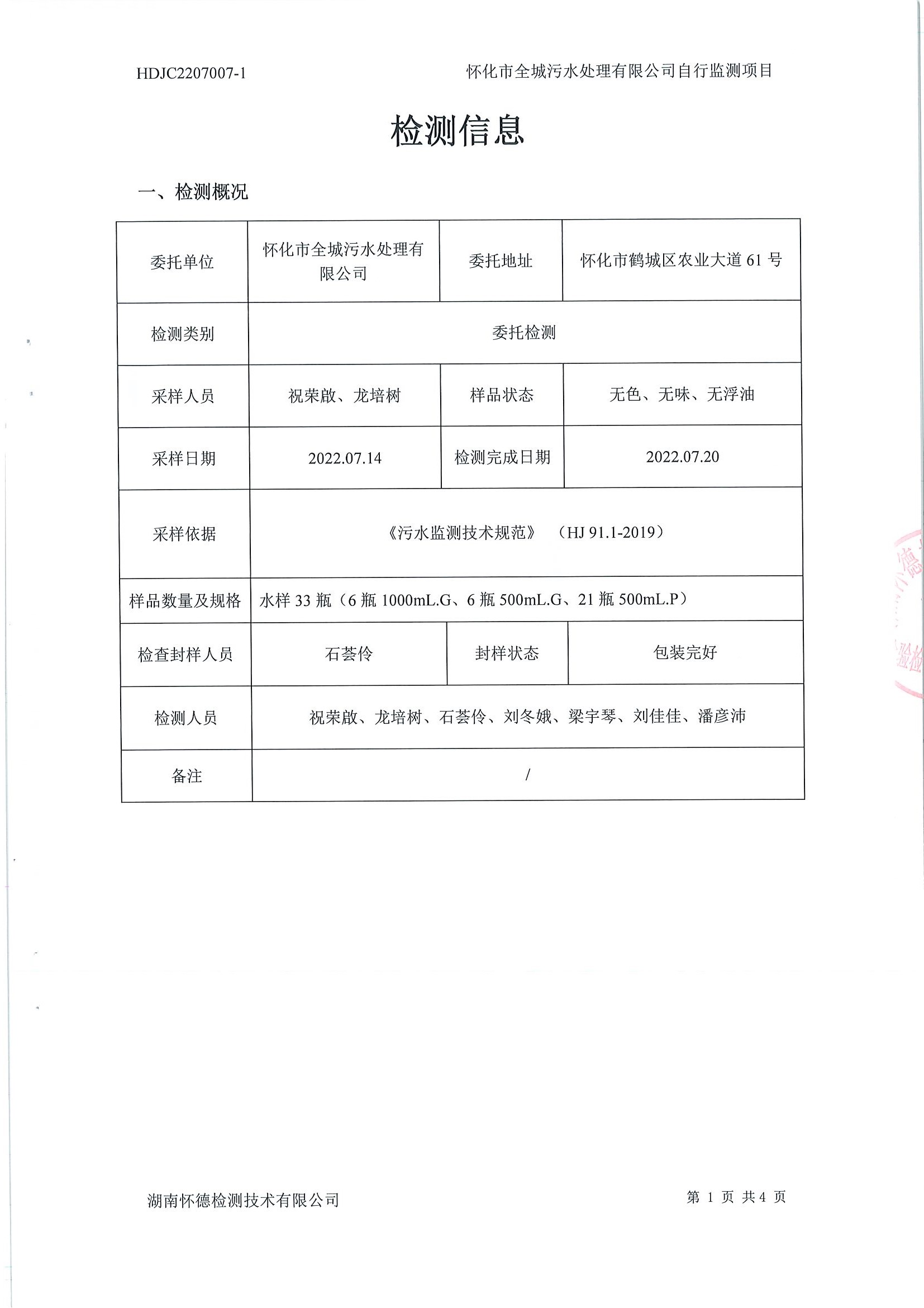
怀德检测 2022年7月 污水检测报告
2022-07-25 09:20:17
上一篇:
湖南怀德检测技术有限公司 2025年10月 出水水质检测报告
下一篇:
怀德检测 2022年6月 废气检测报告